Rumah > Produk > Suis Mikro Kalis Air > Suis mikro kalis air ultra padat
Suis mikro kalis air ultra padat
  • Suis mikro kalis air ultra padatSuis mikro kalis air ultra padat

Suis mikro kalis air ultra padat

Switch mikro kalis air Ultra Compact mempunyai selang hubungan kecil dan mekanisme tindakan cepat, dan mekanisme hubungan untuk menukar tindakan dengan strok dan daya yang ditentukan dilindungi oleh shell, dan terdapat penghantaran di luar, dan bentuknya kecil.

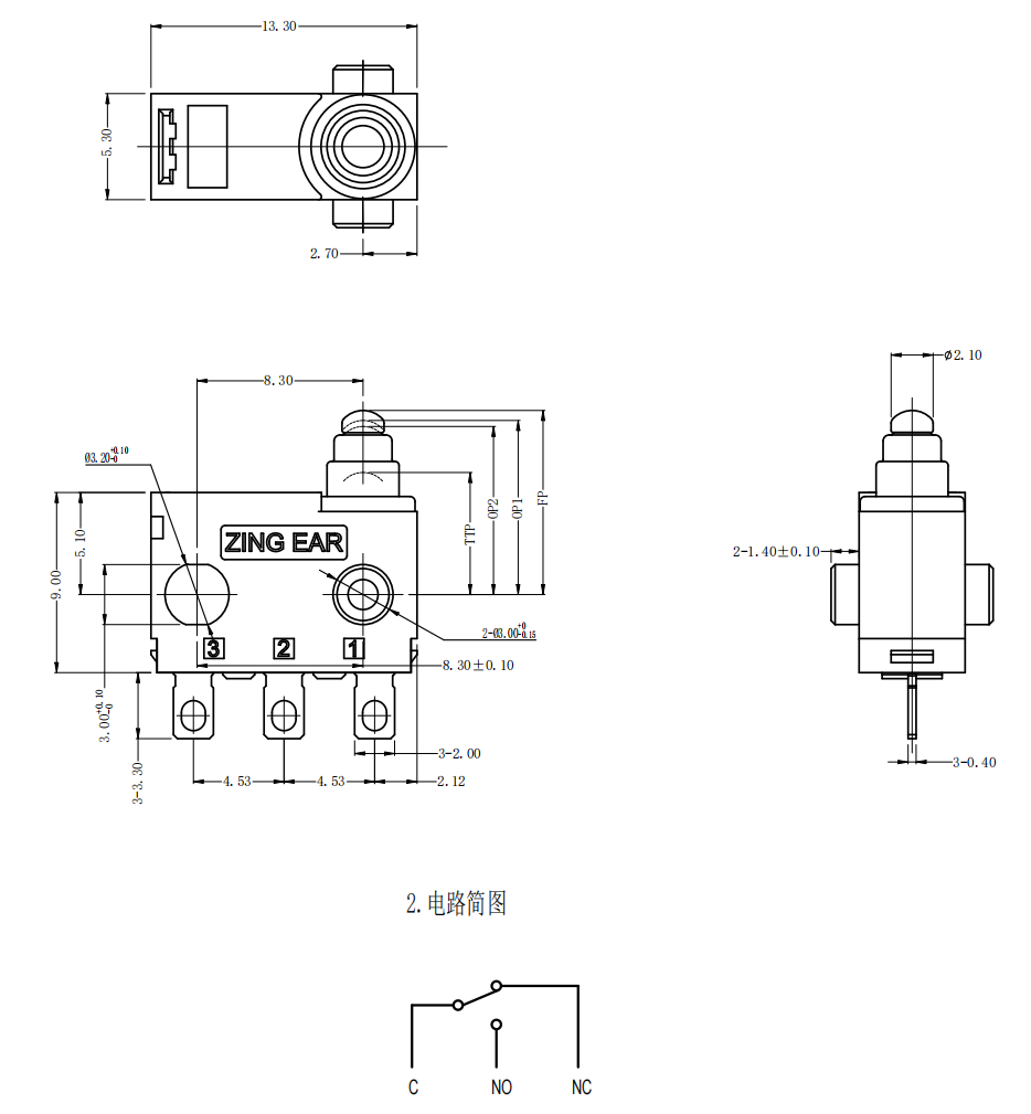
Model:FSK-20-586

Hantar Pertanyaan

Penerangan Produk

Weipeng®adalah yang terkemukaChina pembuatanRS, Suppliers dan pengeksport suis mikro kalis air ultra padat

Produk MemperkenalkanUction 


Suis mikro kalis air yang dimeteraikan ini sesuai untuk suis kawalan di rumah pintar. Ia dapat menyedari kawalan jauh lampu, langsir, kunci pintu, dll.Suis mikro kalis air biasanya direka dengan bunyi yang rendah. Apabila menggunakan suis kalis air, elakkan menggunakan terlalu banyak atau terlalu sedikit daya.Elakkan getaran berlebihan atau perlanggaran suis kalis air.Elakkan menggunakan suis kalis air yang rosak, harus diganti tepat pada waktunya.Sekiranya Peralatan Perubatan Mikro Suis Mini tidak normal atau tidak berfungsi, ia harus dinyahaktifkan dengan serta -merta dan bantuan penyelenggaraan profesional harus dicari.Suis mikro kalis air biasanya direka dengan bunyi yang rendah. Apabila menggunakan suis kalis air, elakkan menggunakan terlalu banyak atau terlalu sedikit daya.

Suis rocker 30 Volt ini mempunyai struktur hubungan dua kali ganda, teknologi pemadam arka pesat, dan fungsi perlindungan beban, memastikan prestasi yang selamat. Ia dilengkapi dengan mekanisme musim bunga gred tentera dan struktur mengunci dalaman anti-getaran, menjadikannya boleh dipercayai dalam kualiti.


TonFAQ Kilang GDA




Q1.: Adakah anda mempunyai pensijilan mengenai kilang atau produk anda?

A1: Sudah tentu, kami mempunyai sistem yang kuat yang diperakui, seperti IATF16949, ISO14001, UL, TUV, VDE, ROHS, REACH dan kelulusan yang berkaitan.


Q2.Apa polisi sampel anda?

A2: Sampel percuma boleh disediakan dalam masa 3 hari, tetapi caj ekspres harus dibayar oleh pelanggan.


Q3. Apakah syarat pembungkusan anda?

A3: Secara amnya, kami mengemas barang dalam kotak neutral dan karton coklat, atau disesuaikan jika QTY dicapai.


Q4. Apakah syarat pembayaran anda?

A4: Sama, t/t 30% sebagai deposit, dan 70% sebelum penghantaran., Jika jumlah> 2000USD



ProdukSpesifikasi

Tukar ciri teknikal:
Item Parameter teknikal Nilai
1 Penilaian Elektrik 10mA 14V DC/0.1A 30VDC
2 Daya operasi ≤1.5n
6 Kehidupan elektrik ≥50000 kitaran
7 Kehidupan mekanikal ≥100000 kitaran
8 iers dan pengeksport suis mikro kalis air ultra padat 8.4 ± 0.3mm
9 NC (kedudukan operasi) 8.7 ± 0.3mm
10 Bukti getaran Kekerapan getaran: 10 ~ 55Hz
Amplitud: 1.5mm
Tiga arah: 1H
11 Keupayaan Solder: Lebih daripada 80% bahagian yang direndam
hendaklah dilindungi dengan solder
Suhu pematerian: 235 ± 5 ℃
Masa yang meresap: 2 ~ 3s
12 Rintangan haba solder Pematerian Dip: 260 ± 5 ℃ 5 ± 1s
Pematerian Manual: 300 ± 5 ℃ 2 ~ 3s
13 Keadaan ujian Suhu ambien: 20 ± 5 ℃
Kelembapan relatif: 65 ± 5%RH
Tekanan udara: 86 ~ 106kpa


Perincian produks




Teg Panas: Suis mikro kalis air ultra padat
Kategori Berkaitan
Hantar Pertanyaan
Sila berasa bebas untuk memberikan pertanyaan anda dalam borang di bawah. Kami akan membalas anda dalam masa 24 jam.
X
Kami menggunakan kuki untuk menawarkan anda pengalaman menyemak imbas yang lebih baik, menganalisis trafik tapak dan memperibadikan kandungan. Dengan menggunakan tapak ini, anda bersetuju dengan penggunaan kuki kami. Dasar Privasi
Tolak Terima