Weipeng® telah menubuhkan dirinya sebagai suis kecil peringkat atas untuk pengeluar dan pembekal peralatan rumah tangga di China, menyediakan penyelesaian suis mikro yang berkualiti selama bertahun-tahun. Anda boleh yakin untuk membeli suis mikro tersuai dari kami.
Pengenalan Produk
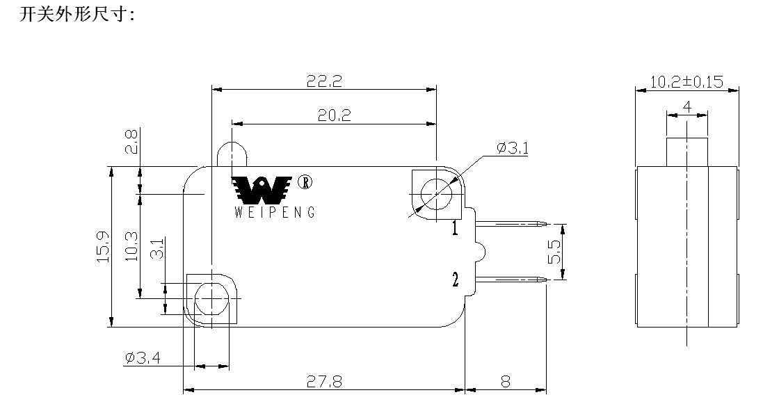
Parameter Produk (Spesifikasi)
| Tukar ciri teknikal: | |||
| Item | Parameter teknikal | Nilai | |
| 1 | Penilaian Elektrik | 3a 250vac | |
| 2 | Rintangan Hubungi | ≤50mΩ Nilai awal | |
| 3 | Rintangan penebat | ≥100mΩ (500VDC) | |
| 4 |
Dielektrik Voltan |
Antara terminal yang tidak disambungkan |
500V/0.5mA/60s |
| Antara terminal dan bingkai logam |
1500V/0.5MA/60S | ||
| 5 | Kehidupan elektrik | ≥10000 kitaran | |
| 6 | Kehidupan mekanikal | ≥100000 kitaran | |
| 7 | Suhu operasi | 0 ~ 105 ℃ | |
| 8 | Kekerapan operasi | Elektrik: 15 kitaran Mekanikal: 60 kitaran |
|
| 9 | Bukti getaran | Kekerapan getaran: 10 ~ 55Hz; Amplitud: 1.5mm; Tiga arah: 1H |
|
| 10 | Keupayaan Solder: Lebih daripada 80% bahagian yang direndam hendaklah dilindungi dengan solder |
Suhu pematerian: 235 ± 5 ℃ Masa yang meresap: 2 ~ 3s |
|
| 11 | Rintangan haba solder | Pematerian Dip: 260 ± 5 ℃ 5 ± 1s Pematerian Manual: 300 ± 5 ℃ 2 ~ 3s |
|
| 12 | Kelulusan keselamatan | Ul 、 csa 、 vde 、 enec 、 tuv 、 ce 、 kc 、 cqc | |
| 13 | Keadaan ujian | Suhu ambien: 20 ± 5 ℃ Kelembapan relatif: 65 ± 5%RH Tekanan udara: 86 ~ 106kpa |
|
Ciri Produk dan Aplikasi
Butiran Produk


