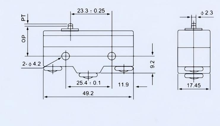
Tekanan tekanan diri Switch mikro adalah komponen kawalan automatik yang dicetuskan oleh gerakan mekanikal. Fungsi terasnya adalah untuk mengesan anjakan atau strok objek untuk mencapai pembukaan dan penutupan litar, permulaan dan perhentian peralatan, atau had perlindungan. Ia adalah 'sentinel keselamatan' dan 'komander tindakan' yang sangat diperlukan dalam peralatan automasi industri dan elektromekanik.
Suis MemperkenalkanUction
Suis perjalanan (juga dikenali sebagai suis had) adalah komponen kawalan automatik yang dicetuskan oleh gerakan mekanikal. Fungsi terasnya adalah untuk mengesan anjakan atau strok objek untuk mencapai pembukaan dan penutupan litar, permulaan dan perhentian peralatan, atau had perlindungan. Ia adalah 'sentinel keselamatan' dan 'komander tindakan' yang sangat diperlukan dalam peralatan automasi industri dan elektromekanik.
Suis Aplikasition
Mekanisme mengangkat platform pemotongan penuai gabungan dilengkapi dengan suis perjalanan yang menetapkan "ketinggian kerja minimum" dan "ketinggian pengangkutan" platform pemotongan. Semasa penuaian, jika platform pemotongan turun terlalu rendah (dekat dengan tanah, mungkin mengikis tanah), suis dicetuskan untuk mengawal sistem hidraulik untuk meningkatkan platform pemotongan; Semasa pengangkutan, apabila platform pemotongan naik ke kedudukan tertinggi, suis dicetuskan untuk mengunci ketinggian platform pemotongan, menghalang gegaran semasa memandu. Dalam kotak benih benih, suis perjalanan mengesan tahap benih. Apabila benih hendak habis, suis mencetuskan peranti penggera untuk mengingatkan pengendali untuk menambah biji, menghalang penanaman yang tidak dijawab.
Suis Perincian
