Sebagai model penanda aras siri suis mikro Yueqing Tongda Wire Electric Factory, Suis Mikro Tuas Komponen Elektronik Terbuka Biasa menampilkan "kepekaan tinggi, jangka hayat ultra panjang dan kebolehsuaian pelbagai senario" sebagai kelebihan terasnya. Mengintegrasikan kepakaran pembuatan suis selama 35 tahun syarikat, ia telah menjadi komponen kawalan utama dalam perkakas rumah, elektronik automotif, automasi industri dan bidang lain, berkat jurang hubungan minimum dan mekanisme tindakan pantasnya. Prestasi dan kebolehpercayaannya telah diperakui oleh pelbagai organisasi berwibawa di seluruh dunia, memastikan kedudukan arus perdananya dalam pasaran khusus.
Pengenalan Suis Mikro
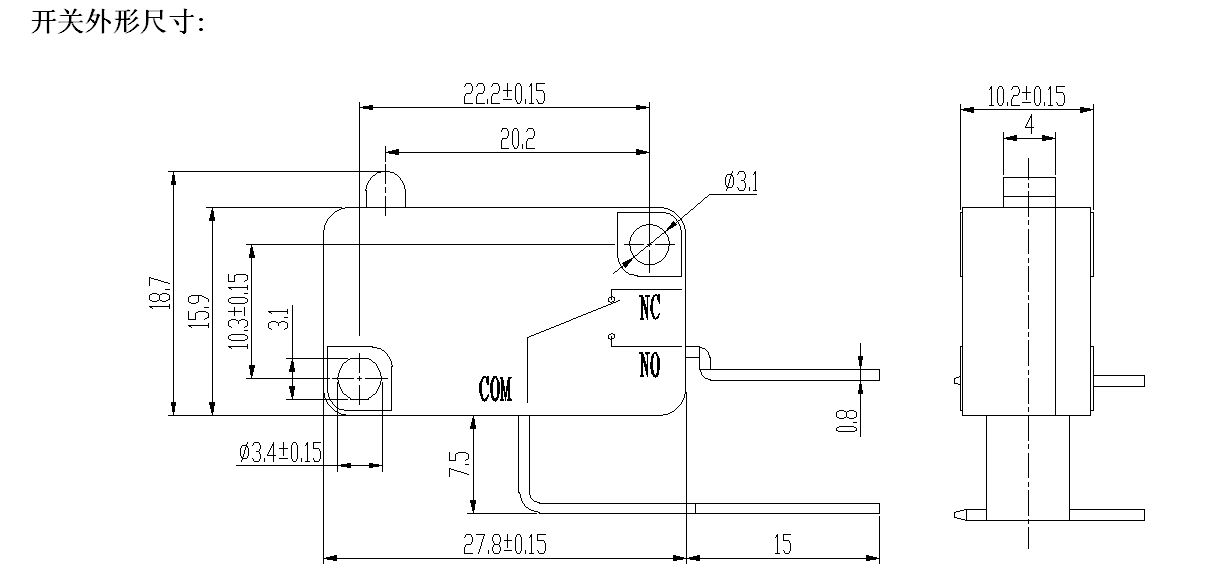
Siri HK-14 menawarkan pilihan penyesuaian yang sangat fleksibel untuk memenuhi keperluan aplikasi yang berbeza. Daya kendalian boleh disesuaikan (kurang daripada 5.0 N dalam keadaan bebas tuil, standard 30±15 gf), dengan julat lejang operasi 0.6–1.5 mm, sesuai untuk daya pencetus dan senario anjakan yang berbeza. Gaya tuil boleh disesuaikan, termasuk tuil lurus, bengkok dan penggelek, yang boleh memadankan pelbagai struktur penghantaran mekanikal. Borang hubungan meliputi rangkaian penuh SPDT (1NO 1NC), NO dan NC.
Parameter Suis Mikro (Spesifikasi)
| Ciri-ciri Teknikal Tukar: | |||
| ITEM | Parameter Teknikal | Nilai | |
| 1 | Penilaian Elektrik | 5(2)A/10A/16(3)A/21(8)A 250VAC | |
| 2 | Rintangan Hubungan | ≤30mΩ Nilai awal | |
| 3 | Rintangan Penebat | ≥100MΩ (500VDC) | |
| 4 |
Dielektrik Voltan |
antara terminal tidak bersambung |
1000V/0.5mA/60S |
|
Antara terminal dan bingkai logam |
3000V/0.5mA/60S | ||
| 5 | Kehidupan Elektrik | ≥50000 kitaran | |
| 6 | Kehidupan Mekanikal | ≥1000000 kitaran | |
| 7 | Suhu Operasi | -25~125℃ | |
| 8 | Kekerapan Operasi |
elektrik :15 kitaran Mekanikal: 60 kitaran |
|
| 9 | Bukti Getaran |
Kekerapan Getaran: 10~55HZ; Amplitud: 1.5mm; Tiga arah :1H |
|
| 10 |
Keupayaan pateri: Lebih daripada 80% bahagian yang direndam hendaklah ditutup dengan pateri |
Suhu pematerian: 235±5 ℃ Masa Rendaman :2~3S |
|
| 11 | Rintangan Haba Pateri |
Pateri Celup :260±5℃ 5±1S Pematerian Manual : 300±5℃ 2~3S |
|
| 12 | Kelulusan Keselamatan | UL,CSA,VDE,ENEC,TUV,CE,KC,CQC | |
| 13 | Syarat Ujian |
Suhu Ambien: 20±5℃ Kelembapan Relatif :65±5%RH Tekanan Udara :86~106KPa |
|
Ciri dan Aplikasi Suis Mikro
Butiran Suis Mikro
