Sebagai model penanda aras siri suis mikro Yueqing Tongda Wire Electric Factory, Oven Microwave dan Suis Mikro Mesin Basuh menampilkan "kepekaan tinggi, jangka hayat ultra panjang dan kebolehsuaian berbilang senario" sebagai kelebihan terasnya. Mengintegrasikan kepakaran pembuatan suis selama 35 tahun syarikat, ia telah menjadi komponen kawalan utama dalam perkakas rumah, elektronik automotif, automasi industri dan bidang lain, berkat jurang hubungan minimum dan mekanisme tindakan pantasnya. Prestasi dan kebolehpercayaannya telah diperakui oleh pelbagai organisasi berwibawa di seluruh dunia, memastikan kedudukan arus perdananya dalam pasaran khusus.
Pengenalan Suis Mikro
Produk ini telah memperoleh pensijilan keselamatan global utama termasuk UL, C-UL, ENEC, VDE, CE, CB, TUV, CQC, dan KC, mematuhi piawaian IEC 61058, dan memenuhi keperluan akses pasaran di wilayah seperti Eropah, Amerika dan Asia Pasifik. Syarikat itu telah mencapai pensijilan sistem pengurusan kualiti ISO9001 dan IATF 16949 dan melaksanakan arahan alam sekitar RoHS dan REACH dengan ketat, memastikan kawalan yang diperhalusi sepanjang keseluruhan proses pengeluaran. Dengan 6 paten ciptaan kebangsaan dan 48 paten model utiliti, siri HK-14 mencapai tahap kebolehpercayaan dan konsistensi peneraju industri.
Garis Panduan Pemasangan dan Penggunaan
Semasa memasang, suis mesti dipasang pada permukaan rata dan diikat dengan mesin basuh rata atau mesin basuh spring untuk mengelakkan kerosakan atau kerosakan selongsong yang disebabkan oleh permukaan yang tidak rata. Pilih model berdasarkan persekitaran: untuk keadaan lembap atau berdebu, adalah disyorkan untuk menggunakan versi tersuai yang dimeterai untuk meningkatkan perlindungan. Jangan sapukan minyak pelincir pada butang atau penggerak untuk mengelakkan sentuhan melekat, kegagalan fungsi, atau keletihan. Semasa penyimpanan, simpan produk di kawasan yang kering, berventilasi, terlindung daripada hujan atau salji, dan elakkan suhu dan kelembapan tinggi yang boleh menyebabkan penuaan komponen, memastikan produk mengekalkan prestasi asalnya.
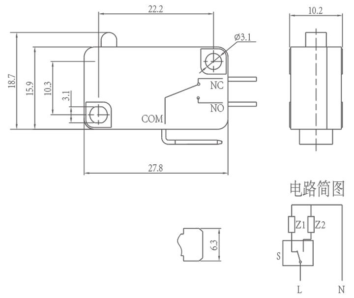
Parameter Suis Mikro (Spesifikasi)
| Ciri-ciri Teknikal Tukar: | |||
| ITEM | Parameter Teknikal | Nilai | |
| 1 | Penilaian Elektrik | 5(2)A/10A/16(3)A/21(8)A 250VAC | |
| 2 | Rintangan Hubungan | ≤30mΩ Nilai awal | |
| 3 | Rintangan Penebat | ≥100MΩ (500VDC) | |
| 4 |
Dielektrik Voltan |
antara terminal tidak bersambung |
1000V/0.5mA/60S |
|
Antara terminal dan bingkai logam |
3000V/0.5mA/60S | ||
| 5 | Kehidupan Elektrik | ≥50000 kitaran | |
| 6 | Kehidupan Mekanikal | ≥1000000 kitaran | |
| 7 | Suhu Operasi | -25~125℃ | |
| 8 | Kekerapan Operasi |
elektrik :15 kitaran Mekanikal: 60 kitaran |
|
| 9 | Bukti Getaran |
Kekerapan Getaran: 10~55HZ; Amplitud: 1.5mm; Tiga arah :1H |
|
| 10 |
Keupayaan pateri: Lebih daripada 80% bahagian yang direndam hendaklah ditutup dengan pateri |
Suhu pematerian: 235±5 ℃ Masa Rendaman :2~3S |
|
| 11 | Rintangan Haba Pateri |
Pateri Celup :260±5℃ 5±1S Pematerian Manual : 300±5℃ 2~3S |
|
| 12 | Kelulusan Keselamatan | UL,CSA,VDE,ENEC,TUV,CE,KC,CQC | |
| 13 | Syarat Ujian |
Suhu Ambien: 20±5℃ Kelembapan Relatif :65±5%RH Tekanan Udara :86~106KPa |
|
Ciri dan Aplikasi Suis Mikro
Butiran Suis Mikro
