Sebagai produk perwakilan Kilang Elektrik Wayar Yueqing Tongda yang merangkumi penyepaduan penyeragaman teras dan penyesuaian, Suis Mikro untuk Pencetak Pembersih Vakum Juicer dan Peranti D Lain direka dengan prinsip teras "kestabilan, kebolehpercayaan dan keserasian pemandangan." Ia menggabungkan 35 tahun kepakaran pembuatan suis syarikat, mencapai pelbagai pengoptimuman dalam prestasi elektrik, tahap perlindungan dan pengalaman pengguna. Suis boleh digunakan secara meluas untuk senario seperti pengagihan kuasa rumah pintar, peralatan tambahan industri dan instrumen perubatan kecil, menjadikannya komponen kawalan litar pilihan yang mengimbangi kesejagatan dengan potensi penyesuaian.
Suis Mikropengenalan
Berikut ialah langkah pengeluaran utama yang perlu difahami oleh pembeli untuk menilai kualiti produk:
1. Pembuatan Komponen: Sesentuh dan spring logam yang dimesin dengan tepat; selongsong tahan lama (bahan plastik/logam).
2. Pemasangan: Memasang spring, sesentuh dan penggerak dengan tepat untuk mengelakkan menjejaskan prestasi.
3. Ujian: Ujian ketat (ribuan ujian akhbar, ujian kesinambungan elektrik) untuk memastikan kebolehpercayaan.
4. Pembungkusan: Pembungkusan pelindung untuk pengangkutan yang mudah, dengan pelabelan spesifikasi yang jelas.
Suis MikroPermohonan
Suis mikro digunakan secara meluas dan boleh dipercayai dalam prestasi, terutamanya digunakan dalam:
- Perkakas rumah: lampu peti sejuk, kunci pintu ketuhar gelombang mikro, suis penutup mesin basuh dan pemasa pembakar roti.
- Peralatan industri: model tugas berat sesuai untuk tali pinggang penghantar, jentera dan panel kawalan (kalis habuk dan kalis lembapan).
- Medan automotif: pengelap cermin depan, penunjuk buka pintu — mampu menahan getaran dan suhu yang melampau.
- Peranti elektronik: suis kecil untuk alat kawalan jauh dan pengawal permainan (responsif dan tahan lama).
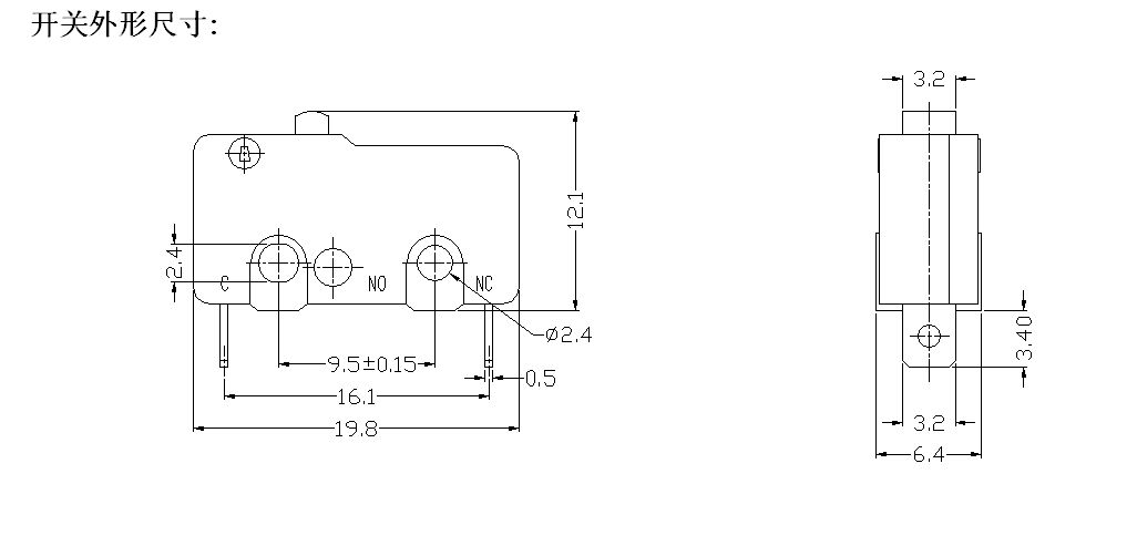
Suis Mikro Spesifikasi
| Ciri-ciri Teknikal Tukar: | |||
| ITEM | Parameter Teknikal | Nilai | |
| 1 | Penilaian Elektrik | 5(2)A 125V/250VAC 10(3)125V/250VAC | |
| 2 | Rintangan Hubungan | ≤50mΩ Nilai awal | |
| 3 | Rintangan Penebat | ≥100MΩ (500VDC) | |
| 4 |
Dielektrik Voltan |
antara terminal tidak bersambung |
500V/0.5mA/60S |
| Antara terminal dan bingkai logam |
1500V/0.5mA/60S | ||
| 5 | Kehidupan Elektrik | ≥10000 kitaran | |
| 6 | Kehidupan Mekanikal | ≥100000 kitaran | |
| 7 | Suhu Operasi | -25~125℃ | |
| 8 | Kekerapan Operasi | Elektrik: 15 kitaran Mekanikal: 60 kitaran |
|
| 9 | Bukti Getaran | Kekerapan Getaran: 10~55HZ; Amplitud: 1.5mm; Tiga arah :1H |
|
| 10 | Keupayaan pateri: Lebih daripada 80% bahagian yang direndam hendaklah ditutup dengan pateri |
Suhu pematerian: 235±5℃ Masa Rendaman :2~3S |
|
| 11 | Rintangan Haba Pateri | Pateri Celup :260±5℃ 5±1S Pematerian Manual :300±5℃ 2~3S |
|
| 12 | Kelulusan Keselamatan | UL, CSA, VDE, ENEC, CE | |
| 13 | Syarat Ujian | Suhu Ambien: 20±5℃ Kelembapan Relatif :65±5%RH Tekanan Udara : 86~106KPa |
|
Tongda Wire Electric Suis Kuasa Sebaris USB Mikro Butiran


