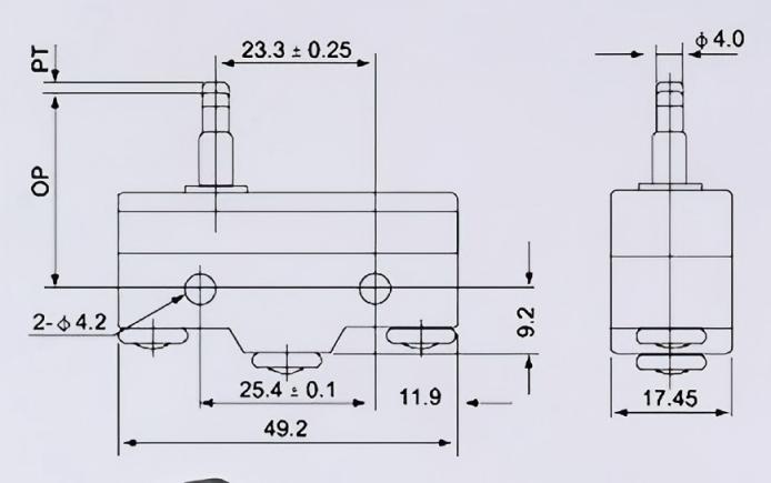
LS Had Limit Had Switch Switch adalah komponen kawalan automatik yang dicetuskan oleh gerakan mekanikal. Fungsi terasnya adalah untuk mengesan anjakan atau strok objek untuk mencapai pembukaan dan penutupan litar, permulaan dan perhentian peralatan, atau had perlindungan. Ia adalah 'sentinel keselamatan' dan 'komander tindakan' yang sangat diperlukan dalam peralatan automasi industri dan elektromekanik.
Suis MemperkenalkanUction
Suis perjalanan (juga dikenali sebagai suis had) adalah komponen kawalan automatik yang dicetuskan oleh gerakan mekanikal. Fungsi terasnya adalah untuk mengesan anjakan atau strok objek untuk mencapai pembukaan dan penutupan litar, permulaan dan perhentian peralatan, atau had perlindungan. Ia adalah 'sentinel keselamatan' dan 'komander tindakan' yang sangat diperlukan dalam peralatan automasi industri dan elektromekanik.
Suis Aplikasition
Sistem tali pinggang penghantar: Had suis dipasang pada titik permulaan/akhir penghantar. Apabila bahan kerja diangkut ke kedudukan yang ditetapkan, suis itu dicetuskan untuk menjeda penghantar, menyelaraskan dengan lengan robot untuk melakukan tindakan menggenggam dan menyusun.
Barisan pemasangan: Mereka digunakan untuk mengesan sama ada bahan kerja berada dalam kedudukan yang betul. Sebagai contoh, pada barisan pemasangan perkakas rumah, apabila shell luar bergerak ke stesen pengetatan skru, suis mencetuskan permulaan mesin pengetatan, memastikan koordinasi yang tepat antara langkah -langkah proses.
Suis Perincian
