Sebagai model penanda aras siri suis mikro Yueqing Tongda Wire Electric Factory, Suis Mikro Semasa 16A 250V Suhu Tinggi HK-14 menampilkan "kepekaan tinggi, jangka hayat ultra panjang dan kebolehsuaian pelbagai senario" sebagai kelebihan terasnya. Mengintegrasikan kepakaran pembuatan suis selama 35 tahun syarikat, ia telah menjadi komponen kawalan utama dalam perkakas rumah, elektronik automotif, automasi industri dan bidang lain, berkat jurang hubungan minimum dan mekanisme tindakan pantasnya. Prestasi dan kebolehpercayaannya telah diperakui oleh pelbagai organisasi berwibawa di seluruh dunia, memastikan kedudukan arus perdananya dalam pasaran khusus.
Pengenalan Suis Mikro
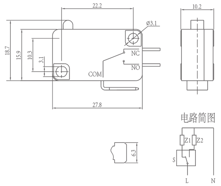
Siri HK-14 menyediakan pilihan penyesuaian yang sangat fleksibel untuk memenuhi keperluan aplikasi yang berbeza. Daya kendalian boleh disesuaikan (kurang daripada 5.0N dalam keadaan tanpa tuil, biasanya 30±15gf), dengan julat lejang operasi 0.6 hingga 1.5mm, menampung pelbagai daya pencetus dan senario anjakan. Gaya tuil boleh disesuaikan, termasuk tuil lurus, tuil bengkok dan tuas penggelek, untuk disesuaikan dengan pelbagai struktur penghantaran mekanikal. Jenis kenalan termasuk SPDT (1NO+1NC), NO dan NC, meliputi julat penuh, untuk memenuhi keperluan kawalan tunggal, interlock dan keperluan reka bentuk litar lain.
Garis Panduan Pemasangan dan Penggunaan
Semasa memasang, suis mesti dipasang pada permukaan rata dan diikat dengan mesin basuh rata atau mesin basuh spring untuk mengelakkan kerosakan atau kerosakan selongsong yang disebabkan oleh permukaan yang tidak rata. Pilih model berdasarkan persekitaran: untuk keadaan lembap atau berdebu, adalah disyorkan untuk menggunakan versi tersuai yang dimeterai untuk meningkatkan perlindungan. Jangan sapukan minyak pelincir pada butang atau penggerak untuk mengelakkan sentuhan melekat, kegagalan fungsi, atau keletihan. Semasa penyimpanan, simpan produk di kawasan yang kering, berventilasi, terlindung daripada hujan atau salji, dan elakkan suhu dan kelembapan tinggi yang boleh menyebabkan penuaan komponen, memastikan produk mengekalkan prestasi asalnya.
Parameter Suis Mikro (Spesifikasi)
| Ciri-ciri Teknikal Tukar: | |||
| ITEM | Parameter Teknikal | Nilai | |
| 1 | Penilaian Elektrik | 5(2)A/10A/16(3)A/21(8)A 250VAC | |
| 2 | Rintangan Hubungan | ≤30mΩ Nilai awal | |
| 3 | Rintangan Penebat | ≥100MΩ (500VDC) | |
| 4 |
Dielektrik Voltan |
antara terminal tidak bersambung |
1000V/0.5mA/60S |
|
Antara terminal dan bingkai logam |
3000V/0.5mA/60S | ||
| 5 | Kehidupan Elektrik | ≥50000 kitaran | |
| 6 | Kehidupan Mekanikal | ≥1000000 kitaran | |
| 7 | Suhu Operasi | -25~125℃ | |
| 8 | Kekerapan Operasi |
elektrik :15 kitaran Mekanikal: 60 kitaran |
|
| 9 | Bukti Getaran |
Kekerapan Getaran: 10~55HZ; Amplitud: 1.5mm; Tiga arah :1H |
|
| 10 |
Keupayaan pateri: Lebih daripada 80% bahagian yang direndam hendaklah ditutup dengan pateri |
Suhu pematerian: 235±5 ℃ Masa Rendaman :2~3S |
|
| 11 | Rintangan Haba Pateri |
Pateri Celup :260±5℃ 5±1S Pematerian Manual : 300±5℃ 2~3S |
|
| 12 | Kelulusan Keselamatan | UL,CSA,VDE,ENEC,TUV,CE,KC,CQC | |
| 13 | Syarat Ujian |
Suhu Ambien: 20±5℃ Kelembapan Relatif :65±5%RH Tekanan Udara :86~106KPa |
|
Ciri dan Aplikasi Suis Mikro
Butiran Suis Mikro
