Sebagai model penanda aras siri suis mikro Yueqing Tongda Wire Electric Factory, HK-14 16A 250VAC T125 Universal Pentium Supor Rice Cooker Accessories Micro Switch menampilkan "kepekaan tinggi, jangka hayat ultra panjang dan kebolehsuaian pelbagai senario" sebagai kelebihan terasnya. Mengintegrasikan kepakaran pembuatan suis selama 35 tahun syarikat, ia telah menjadi komponen kawalan utama dalam perkakas rumah, elektronik automotif, automasi industri dan bidang lain, berkat jurang hubungan minimum dan mekanisme tindakan pantasnya. Prestasi dan kebolehpercayaannya telah diperakui oleh pelbagai organisasi berwibawa di seluruh dunia, memastikan kedudukan arus perdananya dalam pasaran khusus.
Pengenalan Suis Mikro
HK-14 menunjukkan daya saing yang kuat dalam spesifikasi teknikal dan amat sesuai untuk keperluan kawalan frekuensi tinggi dan ketepatan tinggi. Sesentuh diperbuat daripada bahan aloi yang sangat konduktif, dengan rintangan sentuhan awal ≤30mΩ, mampu membawa arus secara stabil dari 5A hingga 25A, dan serasi dengan senario voltan berbilang termasuk AC 125V/250V dan DC 12V/24V, memenuhi pelbagai keperluan kuasa daripada perkakas rumah kecil kepada peralatan industri.
Dari segi prestasi pencetus, produk ini menggunakan mekanisme snap-action, dengan lejang operasi hanya 0.5-1.6mm dan daya kendalian dikawal antara 0.25-4N. Ia menawarkan tindak balas pencetus pantas dan maklum balas yang jelas, dengan berkesan mengelakkan isu "cetusan palsu" dan "kelewatan pencetus." Jangka hayat jauh melebihi norma industri: hayat mekanikal melebihi 1 juta kitaran, dan hayat elektrik mencapai lebih 50,000 kitaran, membolehkan operasi stabil jangka panjang dalam senario penggunaan frekuensi tinggi seperti ketuhar gelombang mikro dan elektronik automotif.
Kebolehsuaian alam sekitar juga mengagumkan. Produk ini boleh beroperasi dalam julat suhu yang luas dari -25 ℃ hingga 125 ℃, lulus ujian getaran tiga paksi pada 10-55Hz dengan amplitud 1.5mm, mengekalkan rintangan penebat ≥100MΩ (500VDC), dan menahan voltan 1000V AC sekata di antara terminal-terminal berprestasi tinggi atau persekitaran temperatur industri memastikan prestasi getaran yang tinggi. keadaan ruang enjin kereta.
Bergantung pada sistem kawalan kualiti proses penuh Leqing Tongda, HK-14 menjalani pelbagai ujian ketat daripada bahan mentah kepada produk siap:
Ujian bahan mentah: Analisis spektrum bahan kenalan, keanjalan kepingan spring dan ujian keletihan, dan ujian rintangan penuaan selongsong untuk memastikan komponen teras memenuhi piawaian automotif;
Ujian pengeluaran: Barisan pemasangan ketepatan automatik sepenuhnya dilengkapi dengan sistem pemeriksaan visual, mengawal ralat dimensi utama dalam ±0.01mm untuk memastikan ketepatan penggerakan yang konsisten;
Ujian produk siap: 100% kadar lulus untuk 10 ujian, termasuk berbasikal suhu tinggi dan rendah (-40 ℃ hingga 120 ℃), kakisan semburan garam 48 jam, berjuta-juta kitaran menekan, getaran dan ujian hentaman.
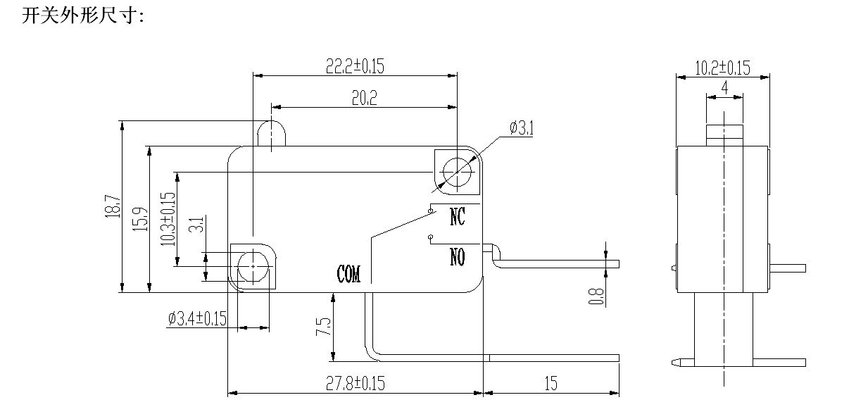
Parameter Suis Mikro (Spesifikasi)
| Ciri-ciri Teknikal Tukar: | |||
| ITEM | Parameter Teknikal | Nilai | |
| 1 | Penilaian Elektrik | 5(2)A/10A/16(3)A/21(8)A 250VAC | |
| 2 | Rintangan Hubungan | ≤30mΩ Nilai awal | |
| 3 | Rintangan Penebat | ≥100MΩ (500VDC) | |
| 4 |
Dielektrik Voltan |
antara terminal tidak bersambung |
1000V/0.5mA/60S |
| Antara terminal dan bingkai logam |
3000V/0.5mA/60S | ||
| 5 | Kehidupan Elektrik | ≥50000 kitaran | |
| 6 | Kehidupan Mekanikal | ≥1000000 kitaran | |
| 7 | Suhu Operasi | -25~125℃ | |
| 8 | Kekerapan Operasi | elektrik :15 kitaran Mekanikal: 60 kitaran |
|
| 9 | Bukti Getaran | Kekerapan Getaran: 10~55HZ; Amplitud: 1.5mm; Tiga arah :1H |
|
| 10 | Keupayaan pateri: Lebih daripada 80% bahagian yang direndam hendaklah ditutup dengan pateri |
Suhu pematerian: 235±5 ℃ Masa Rendaman :2~3S |
|
| 11 | Rintangan Haba Pateri | Pateri Celup :260±5℃ 5±1S Pematerian Manual : 300±5℃ 2~3S |
|
| 12 | Kelulusan Keselamatan | UL,CSA,VDE,ENEC,TUV,CE,KC,CQC | |
| 13 | Syarat Ujian | Suhu Ambien: 20±5℃ Kelembapan Relatif :65±5%RH Tekanan Udara :86~106KPa |
|
Ciri dan Aplikasi Suis Mikro
Butiran Suis Mikro

