Sebagai sebuah perusahaan Suis Mikro Tahan Lama profesional dengan Press-Fit dan Tab Soldering dengan pengalaman selama 35 tahun dalam pembuatan suis, Kilang Elektrik Yueqing Tongda Wire berpusat pada 'penyesuaian dipacu permintaan, teknologi memastikan keselamatan' dan, memfokuskan pada produk utama seperti Suis Rocker, Tekan Butang Merah, Suis Mikro NO/NC, dan NC Butang Tekan, untuk pelbagai penyelesaian suis rumah, untuk pelbagai medan tersuai, dan penyelesaian perubatan untuk pelbagai bidang perubatan. sektor maritim. Dengan inovasi teknologi dan kawalan kualiti yang ketat, ia telah menjadi penanda aras dalam bidang suis tersuai.
Pengenalan Suis Mikro

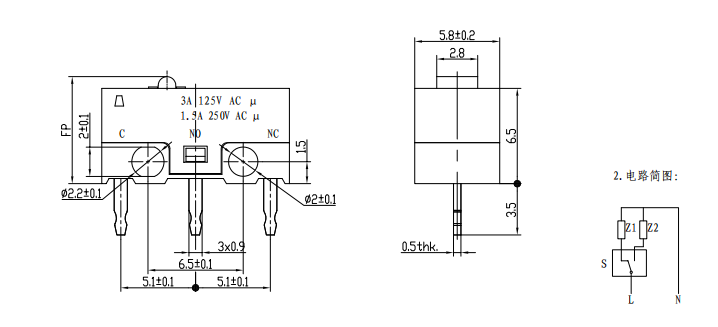
Parameter Suis Mikro (Spesifikasi)
| ITEM | Parameter Teknikal Utama |
| 1 | Penilaian Elektrik: 3A 250VAC |
| 2 | Hayat elektrik : Min.10000 kitaran |
| 3 | Rintangan Sentuhan :<50mΩ |
| 4 | Daya kendalian: 70±20gf |
| 5 | Kedudukan bebas: 7.3±0.2mm |
| 6 | Kedudukan operasi: 7.0±0.2mm |
| 7 | Suhu persekitaran: T85° |
| 8 | Menahan Voltan:Antara terminal dan terminal 500V/5S/5mA; |
| Antara terminal dan kes 1500/5S/5mA | |
| 9 | Rintangan Penebat:>100MΩ Voltan Ujian 500VDC |
| 10 | Indeks Penjejakan Bukti PTI :175V |
Butiran Suis Mikro
